This webpage doesn't work with Internet Explorer. Please use the latest version of Google Chrome, Microsoft Edge, Mozilla Firefox or Safari.
请输入3个以上字符 Search for multiple part numbers fromhere.
The information presented in this cross reference is based on TOSHIBA's selection criteria and should be treated as a suggestion only. Please carefully review the latest versions of all relevant information on the TOSHIBA products, including without limitation data sheets and validate all operating parameters of the TOSHIBA products to ensure that the suggested TOSHIBA products are truly compatible with your design and application.Please note that this cross reference is based on TOSHIBA's estimate of compatibility with other manufacturers' products, based on other manufacturers' published data, at the time the data was collected.TOSHIBA is not responsible for any incorrect or incomplete information. Information is subject to change at any time without notice.
请输入3个以上字符
Step-down (3.3V→1.8V) and step-up (1.8V→3.3V) voltage translation can be achieved by using a CMOS logic IC with input-tolerant function, single- or dual-supply level shifters (Buffer type), and dual-supply bus switches.
The following is a brief example.
For detailed selection methods, please use the following application notes.
→ Tips for Selecting Level Shifters(Voltage Translation ICs) (PDF:2.62MB)
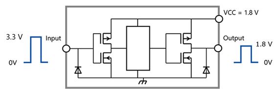
Step-down voltage conversion:
The input-tolerant function allows level shifting from a higher voltage to a lower voltage such as from 3.3V to 1.8V. For example, the input-tolerant function allows 3.3V to be applied to an input without drawing extra current even when VCC = 0V. (Fig. 1)
For Step-down voltage translation using the input-tolerant function of a CMOS logic IC, ensure that the maximum low-level input voltage is within the VIL range. (Table-1)
| Characteristics | Symbol | Test Condition | Vcc(V) | Min | Typ. | Max | Unit |
|---|---|---|---|---|---|---|---|
| High-level input voltage | VIH | - | 0.9 | Vcc | - | - | V |
| 1.1 to 1.3 | Vcc x 0.70 | - | - | ||||
| 1.4 to 1.6 | Vcc x 0.65 | - | - | ||||
| 1.65 to 1.95 | Vcc x 0.65 | - | - | ||||
| 2.3 to 2.7 | 1.7 | - | - | ||||
| 3.0 to 3.6 | 2.0 | - | - | ||||
| Low-level input voltage | VIL | - | 0.9 | - | - | GND | V |
| 1.1 to 1.3 | - | - | Vcc x 0.30 | ||||
| 1.4 to 1.6 | - | - | Vcc x 0.35 | ||||
| 1.65 to 1.95 | - | - | Vcc x 0.35 | ||||
| 2.3 to 2.7 | - | - | 0.7 | ||||
| 3.0 to 3.6 | - | - | 0.8 |
Step-up voltage translation:
Level shifting from a lower voltage to a higher voltage such as from 1.8V to 2.5V can be performed if the high-level output voltage (VOH) of the preceding IC satisfies the high-level input voltage (VIH) of level translation IC because VOH is almost equal to the supply voltage (VCC).
(Fig. 2)
| Characteristics | Symbol | Test Condition | Vcc(V) | Min | Typ. | Max | Unit |
|---|---|---|---|---|---|---|---|
| High-level input voltage | VIH | - | 2.3 to 2.7 | 1.1 | - | - | V |
| 3.0 to 3.6 | 1.2 | - | - | ||||
| Low-level input voltage | VIL | - | 2.3 to 2.7 | - | - | 0.35 | V |
| 3.0 to 3.6 | - | - | 0.5 |
The following documents also contain related information.