运算放大器和比较器

运算放大器比较器是典型的模拟和线性IC。我们提供广泛的运算放大器,包括适用于放大物联网设备中广泛使用的各种传感器的小信号的低噪声运算放大器,有助于物联网设备长期运行的超低电流消耗运算放大器,和I/O全系列(I/O轨对轨)运算放大器。

产品线

You can narrow down the search for applicable products by selecting specifications.

Product Category
Feature
Number of Circuits
Power supply type
Operating Voltage (single power supply) (Max) (V)
Operating Voltage (dual power supplies) (Max) (V)
Results:

You can narrow down your search for applicable products by package type or number of pins.

unit:

All package dimensions are guaranteed in millimeters as mentioned on datasheet. Package dimension in inches is round to 2 significant digits converted with 1mm=0.0393701inch.

About information presented in this cross reference

The information presented in this cross reference is based on TOSHIBA's selection criteria and should be treated as a suggestion only. Please carefully review the latest versions of all relevant information on the TOSHIBA products, including without limitation data sheets and validate all operating parameters of the TOSHIBA products to ensure that the suggested TOSHIBA products are truly compatible with your design and application.Please note that this cross reference is based on TOSHIBA's estimate of compatibility with other manufacturers' products, based on other manufacturers' published data, at the time the data was collected.TOSHIBA is not responsible for any incorrect or incomplete information. Information is subject to change at any time without notice.

有助于设备长期运行的超低电流运算放大器
I/O全系列运算放大器TC75S102系列是一个CMOS运算放大器系列,具有超低电流消耗的特点。这最适合设备的长期运行,例如物联网设备。
超低功耗

文档

名称 日期

技术专辑

应用

电动牙刷
低功耗和小型化对于电动牙刷的设计非常重要。东芝提供了适用于电源/电源管理单元、电机控制单元、传感器信号输入单元等的各种半导体产品的信息以及电路配置示例。
人体成分分析仪
低功耗和小型化对于人体成分分析仪的设计非常重要。东芝公司提供了适用于电源装置、传感器信号输入装置、显示装置等的各种半导体产品的信息以及电路配置示例。
血糖仪
低功耗和小型化对于血糖仪的设计非常重要。东芝提供了适用于电源单元、浪涌电压保护单元、传感器信号输入单元等的各种半导体产品的信息,以及电路配置示例。
智能音响
低功耗和小型化等对于智能音响的设计非常重要。东芝提供了适用于电源单元、传感器信号输入单元、显示单元等的各种半导体产品的信息以及电路配置示例。
家用光伏逆变器
在设计家用光伏逆变器时,高效率和小型化等非常重要。东芝提供适用于转换器电路单元、逆变器电路单元等的各种半导体产品的信息以及电路配置示例。
无绳电动工具
在设计无绳电动工具时,低功耗和小型化等非常重要。东芝提供适用于电机驱动单元、控制单元、电源和充电管理单元等的各种半导体产品的信息以及电路配置示例。
电子血压计
低功耗和小型化对于电子血压计的设计非常重要的。东芝提供了适用于电源装置、浪涌电压保护装置、电机驱动装置、传感器信号输入装置等的各种半导体产品的信息以及电路配置示例。
无绳吸尘器
高效率、低功耗和小型化等对于无绳吸尘器的设计非常重要。东芝提供了适用于电源装置、控制装置、电机驱动装置等的各种半导体产品的信息以及电路配置示例。
低功耗和小型化对于冰箱的设计非常重要。东芝提供了适用于电源单元、电机驱动单元、传感器信号输入单元、交流负载控制单元等的各种半导体产品的信息,以及电路配置示例。
Such as low power consumption and miniaturization are important in designing refrigerator. Toshiba provides information on a wide range of semiconductor products suitable for power supply units, motor driving units, sensor signal input unit, AC load control unit, etc., along with circuit configuration examples.
空调
电机驱动效率、低功耗和小型化等对于空调的设计非常重要。东芝公司提供了适用于功率控制单元、电机驱动单元、控制单元、传感器信号输入单元等的各种半导体产品的信息以及电路配置示例。
洗衣机
电机驱动的效率、低功耗和小型化等对于洗衣机的设计非常重要。东芝公司提供了适用于电源控制单元、电机驱动单元、控制单元、传感器信号输入单元等的各种半导体产品的信息以及电路配置示例。
扫地机器人
高效率、低功耗和小型化等对于扫地机器人的设计非常重要。东芝提供了适用于电源单元、电机驱动单元、传感器信号输入单元等的各种半导体产品的信息,以及电路配置示例。
人体传感器
在设计人体传感器时,低功耗、小型化和稳定运行等非常重要。东芝提供适用于电源单元、传感器信号输入单元、报警输出单元等的各种半导体产品的信息以及电路配置示例。
智能手表
低功耗和小型化对于智能手表的设计非常重要。东芝提供了适用于电源和充电管理单元、传感器信号输入单元、显示单元等的各种半导体产品的信息以及电路配置示例。
智能马桶盖
高效率、低功耗和小型化等对于智能马桶盖的设计非常重要。东芝提供了适用于电源装置、电机驱动装置等的各种半导体产品的信息以及电路配置示例。
空气净化器
高效率、低功耗和小型化等对于空气净化器的设计非常重要。东芝提供了适用于电源单元、电机驱动单元、传感器信号输入单元等的各种半导体产品的信息,以及电路配置示例。
LED照明
高效率、低功耗和小型化等对于LED照明的设计非常重要。东芝提供了适用于电源装置、传感器信号输入装置等的各种半导体产品的信息,以及电路配置示例。
IoT传感器
低功耗和小型化等对于IoT传感器的设计非常重要的。东芝提供了适用于电源单元、传感器信号输入单元、控制单元、显示单元等的各种半导体产品的信息以及电路配置示例。
温控器
在设计温控器时,低功耗和小型化等非常重要。东芝提供适用于电源单元、隔离单元、传感器信号输入单元等的各种半导体产品的信息以及电路配置示例。

参考设计

使用SiC MOSFET的3相逆变器
该参考设计提供了使用1200V SiC MOSFET的3相逆变器的设计指南、数据和其他内容。此设计驱动交流440V电机。
PCB图片(示例)
采用MOSFET的3相多电平逆变器
该参考设计提供了具有5电平输出的3相多电平逆变器的设计指南、数据和其他内容。其采用150V MOSFET驱动AC 200V电机。
PCB图片(示例)
低功耗运算放大器TC75S102F的应用电路
适用于各种传感器的低功耗运算放大器TC75S102F的应用电路。这些应用电路可用于需要长电池寿命的设备、物联网传感器、能量收集系统等。
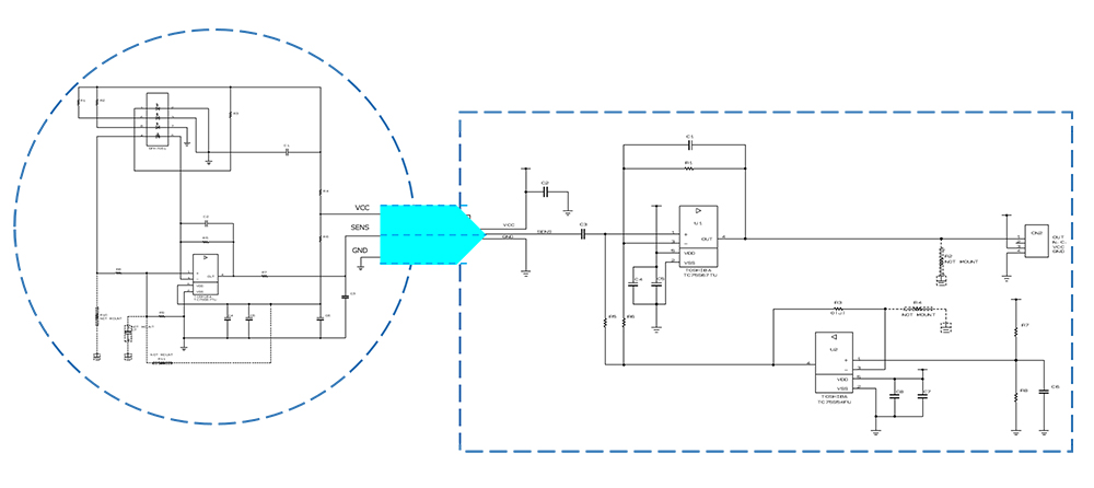
电流传感器用低噪声运算放大器TC75S67TU的应用电路的电路图
电流传感器用低噪声运算放大器TC75S67TU的应用电路
该电路采用低噪声运算放大器TC75S67TU作为传感放大器TC75S67TU电流传感器应用介绍TC75S67TU的电流传感器应用方式和说明
用于超声波距离传感器的低噪声运算放大器TC75S67TU的应用电路的电路
用于超声波距离传感器的低噪声运算放大器TC75S67TU的应用电路
超声波距离传感器采用低噪声运算放大器TC75S67TUTC75S67TU的美国距离传感器应用简介TC75S67TU的美国距离传感器应用方式和注意事项
用于热释电红外传感器的低噪声运算放大器TC75S67TU的应用电路的电路
用于热释电红外传感器的低噪声运算放大器TC75S67TU的应用电路
热释电红外传感器采用低噪声运算放大器TC75S67TUTC75S67TU的红外传感器应用简介TC75S67TU的人体感应器的使用方式及注意事项
用于脉冲传感器的低噪声运算放大器TC75S67TU的应用电路的电路
用于脉冲传感器的低噪声运算放大器TC75S67TU的应用电路
低噪声级运算放大器TC75S67TU在光子检测系统的脉冲传感器上的应用电路。介绍小脉冲传感器电路的设计指南。

联系我们

技术咨询

联系我们

联系我们

常见问题

常见问题(FAQ)

购买、样品、及IC可靠性查询

库存查询与购买

keyword:

Disclaimer for External Link
Through this website you are able to proceed to the website of our distributors ("Third Party Website") which is not under the control of Toshiba Corporation and its subsidiaries and affiliates (collectively "Toshiba"). The Third Party Website is made available to you as a convenience only and you agree to use the Third Party Website at your own risk. The link of the Third Party Website does not necessarily imply a recommendation or an endorsement by Toshiba of the Third Party Website. Please be aware that Toshiba is not responsible for any transaction done through the Third Party Website, and such transactions shall be subject to terms and conditions which may be provided in the Third Party Website.
在新窗口打开