This webpage doesn't work with Internet Explorer. Please use the latest version of Google Chrome, Microsoft Edge, Mozilla Firefox or Safari.
请输入3个以上字符 Search for multiple part numbers fromhere.
The information presented in this cross reference is based on TOSHIBA's selection criteria and should be treated as a suggestion only. Please carefully review the latest versions of all relevant information on the TOSHIBA products, including without limitation data sheets and validate all operating parameters of the TOSHIBA products to ensure that the suggested TOSHIBA products are truly compatible with your design and application.Please note that this cross reference is based on TOSHIBA's estimate of compatibility with other manufacturers' products, based on other manufacturers' published data, at the time the data was collected.TOSHIBA is not responsible for any incorrect or incomplete information. Information is subject to change at any time without notice.
请输入3个以上字符
Toshiba Electronic Devices & Storage Corporation ("Toshiba") has launched the ideal diode[1] controller "TPD7110F" that allows safe power control in automotive systems and contributes to design flexibility and space-saving.
In recent years, as automotive ECUs (Electronic Control Units) have become more advanced, their current consumption has also increased. Traditionally, diodes have been used for reverse polarity protection of power supplies and for reverse current blocking on the load side.
However, rising current demands now require larger diodes and additional heat dissipation, which hinders equipment miniaturization.
As a result, demand has been growing for ideal diodes that suppress heat generation by reducing power loss during conduction in power lines, and supporting miniaturization.
In addition, redundant configurations[2] are required for automotive safety design, accelerating the trend towards redundancy in power systems and increasing the importance of ideal diode controllers in such systems.
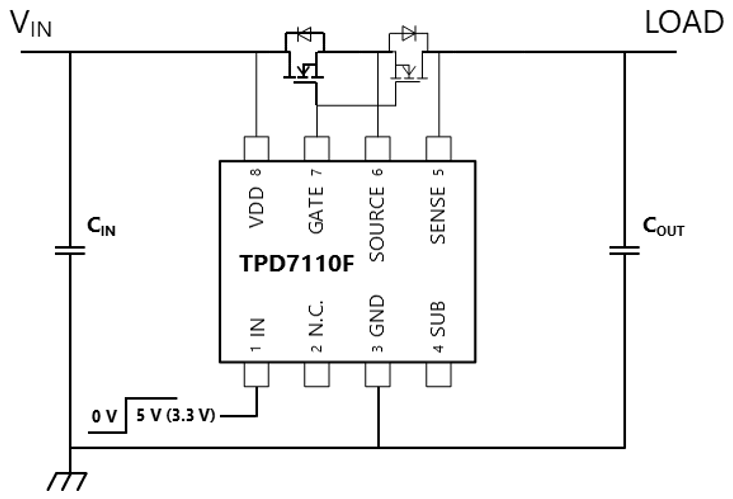
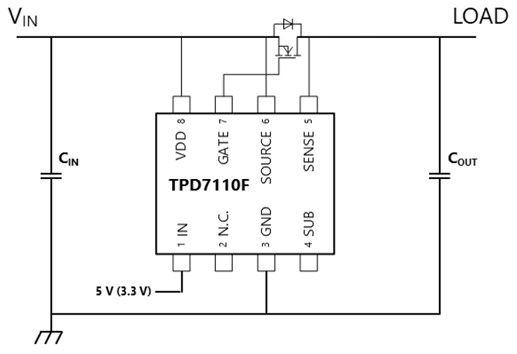
To meet these needs, through the built-in charge pump circuit (with an internal capacitor) and its combination with an N-channel MOSFET, the product enables the configuration of a low-loss ideal diode. In addition to reverse polarity protection and reverse current blocking from the load side, it also incorporates an overvoltage protection. By using multiple units of this product, redundant power systems can be constructed. Additionally, pairing with back-to-back MOSFETs enables ON/OFF control as a load switch.
Moreover, the low current consumption design achieves an operating current consumption of 100µA (typ.). Additionally, standby current consumption is 2µA (typ.), which helps reduce battery consumption. This helps to overall system efficiency and reduction of environmental impact.
Furthermore, by adopting Toshiba’s unique small package "PS-8" and combining it with low on-resistance N-channel MOSFETs to realize ideal diodes, it helps reduce power loss in a wide range of equipment and enables equipment miniaturization.
Toshiba will continue to expand its lineup of products that deliver lower loss, miniaturization, and high reliability, contributing to the development of a safe and sustainable mobility society.
Notes:
[1] An ideal diode is a circuit or device that aims for "ideal" characteristics while having the function of allowing current to flow in only one direction, like existing diodes (rectifying elements).
[2] Redundant configuration refers to a design policy that duplicates or multiplies important systems such as control systems and sensor systems to ensure the safety of autonomous vehicles.
In automotive systems, connection errors with batteries or power lines may occur. The new product has a built-in reverse polarity protection circuit, which turns off the N-channel MOSFET during reverse connection to protect circuits and equipment from damage even if the power polarity is mistakenly reversed.
When the battery voltage enters an overvoltage condition due to events such as voltage surges, the product turns OFF the N-channel MOSFET. This prevents the equipment on the load side from being damaged by overvoltage[3]. Once the battery voltage returns to its normal level, the product turns the N-channel MOSFET ON again.
Note:
[3] In the case where MOSFETs are used in a back‑to‑back configuration.
VOVH: Overvoltage detection voltage, VOVL: Overvoltage release voltage, VOVHYS: Overvoltage detection hysteresis
VUVL: Undervoltage detection voltage, VUVH: Undervoltage release voltage, VUVHYS: Undervoltage detection hysteresis
VGS: Gate-to-source voltage, VGS(1): High level output voltage(1), VGS(3): High level output voltage(3)
Figure 3. Operation diagram of overvoltage protection (and undervoltage protection)
This product achieves an extremely low operating current consumption of 100µA (typ.) for a product with a built-in charge pump capacitor, due to its low current consumption design. Additionally, standby current consumption is only 2µA (typ.), which helps reduce unnecessary battery consumption. This contributes to overall system efficiency and reduction of environmental impact.
TPD7110F adopts Toshiba’s unique small package PS-8 (SON8-P). Although it is an easy-to-mount lead type, its dimensions are extremely small at 2.9mm×2.8mm×0.8mm, and its mounting area is reduced to approximately 55% compared to the common small SOP package MSOP-8.
Furthermore, as mentioned earlier, this product has a built-in charge pump circuit (with an internal capacitor), achieving significant space-saving compared to other products that require external capacitors.
(Unless otherwise specified, Ta=25°C)
| Part number | TPD7110F | |||
|---|---|---|---|---|
| Package | Name | PS-8 | ||
| Size (mm) | 2.9×2.8 | |||
| Pin pitch (mm) | 0.65 | |||
| Absolute maximum ratings |
Power supply voltage VDD(1) (V) | -0.3 to 60 | ||
| Power supply voltage under reverse connection VDD(2) (V) |
-32 | |||
| Input voltage (1) VIN (V) | -0.3 to 6 | |||
| Input voltage (2) VSENSE (V) | -0.3 to 60 | |||
| Input voltage (3) VSOURCE (V) | -0.3 to 60 | |||
| Output voltage VGATE (V) | -0.3 to 60 | |||
| Output source current IGS(-) (µA) | Internal capacity | |||
| Output sink current IGS(+) (mA) | 200 | |||
| Allowable power dissipation PD (W) | 0.99 | |||
| Operating temperature Topr (°C) | -40 to 125 | |||
| Junction temperature Tj (°C) | 150 | |||
| Storage temperature Tstg (°C) | -55 to 150 | |||
| Operating range | Operating supply voltage VDD(opr) (V) |
Tj=-40 to 125°C | 3 to 32 | |
| Electrical characteristics |
Supply current IDD(ON1) (µA) | VDD=12V, VIN=5V, Tj=25°C |
Typ. | 100 |
| Supply current IDD(OFF1) (µA) | VDD=12V, VIN=0V, Tj=25°C |
Typ. | 2 | |
| Protective functions | Reverse polarity protection Reverse current blocking Overvoltage protection Undervoltage protection |
|||
| Sample check & availability | ![]() |
|||
库存查询与购买
请输入3个以上字符
* Company names, product names, and service names may be trademarks of their respective companies.
* Information in this document, including product prices and specifications, content of services and contact information, is current on the date of the announcement but is subject to change without prior notice.
