※ : 产品列表(参数搜索)
※ : 产品列表(参数搜索)
※ : 产品列表(参数搜索)
※ : 产品列表(参数搜索)
※ : 产品列表(参数搜索)
※ :产品列表(参数搜索)
※ : 产品列表(参数搜索)
※ : 产品列表(参数搜索)
This webpage doesn't work with Internet Explorer. Please use the latest version of Google Chrome, Microsoft Edge, Mozilla Firefox or Safari.
请输入3个以上字符
The information presented in this cross reference is based on TOSHIBA's selection criteria and should be treated as a suggestion only. Please carefully review the latest versions of all relevant information on the TOSHIBA products, including without limitation data sheets and validate all operating parameters of the TOSHIBA products to ensure that the suggested TOSHIBA products are truly compatible with your design and application.Please note that this cross reference is based on TOSHIBA's estimate of compatibility with other manufacturers' products, based on other manufacturers' published data, at the time the data was collected.TOSHIBA is not responsible for any incorrect or incomplete information. Information is subject to change at any time without notice.
请输入3个以上字符
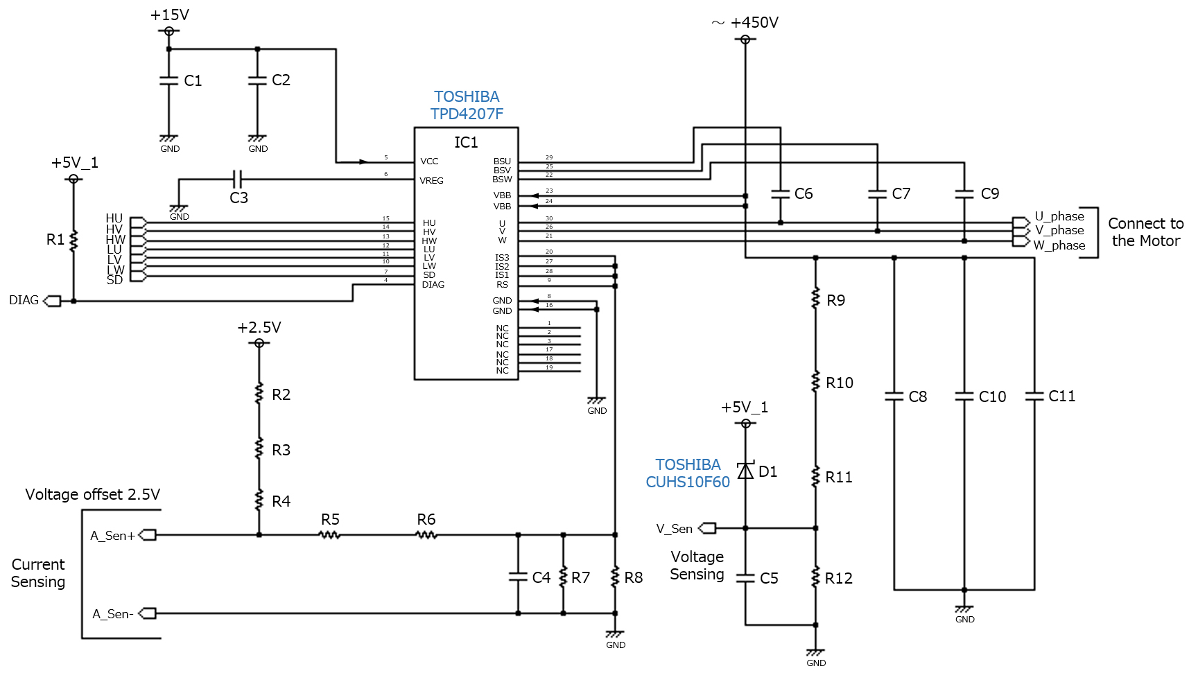
该参考设计提供了将TPD4207F和TMPM4K0FSADUG组合在一起的小型压缩机电机驱动电路的示例电路,以及外围电路的设计指南。
我们向设计人员提供电路操作概要和设计要点说明等资料。请单击每个选项卡,将其用于电路设计。
我们提供可加载到EDA工具中的电路数据、PCB布局数据以及PCB制造中使用的数据。多个工具供应商为您提供了多种格式。您可以使用您的工具进行自由编辑。
器件型号 | 器件目录 | 搭载部位・数量 | 说明 |
---|---|---|---|
智能功率器件600V(高压PWM直流无刷电机驱动IC) | 电机驱动・1 | 600V/5.0A 3相直流无刷电机驱动IC内置功率器件,SSOP30 | |
微控制器 | PWM控制・1 | 80MHz Cortex-M4, 64KB Flash, 18KB RAM, LQFP32, 5V | |
光耦 | 通信・2 | 光耦(光电IC输出),高速,10Mbps,3750Vrms,5引脚SO6 |
我们提供有助于设计和研究相似电路的参考资料,例如已安装产品的应用说明。请单击每个选项卡使用这些资料。