东芝推出适用于工业设备过流检测的高速响应、I/O全范围双通道比较器(CMOS)

2025年12月24日

东芝电子元件及存储装置株式会社

东芝推出适用于工业设备过流检测的高速响应、I/O全范围双通道比较器(CMOS)

中国上海——东芝电子元件及存储装置株式会社(“东芝”)今日宣布,推出一款双通道比较器(CMOS)——"TC75W71FU"。该产品具有高速响应和I/O全范围(轨到轨)的特点,适用于工业设备[1]中的过流检测。新产品于今日起开始出货。

工业设备在电机驱动和电源电路中通常使用大电流,随之而来的突发过流的风险可能引发损坏设备,导致生产线停工、甚至有安全隐患;因此,快速检测和保护至关重要。与此同时,在不断追求更高效率和产品小型化的过程中,电路可支持的电流和电压范围变窄,即使轻微的过流也会给电路带来沉重负担。这也进一步推动了对更快、更精确过流检测技术的需求。

新产品的传输延迟比现有的TC75W56FU更小,低电平转高电平最大为45ns,高电平转低电平最大为30ns[2]。这使得设备在过流时能够立即关断,从而提高运行安全性。

TC75W71FU的I/O电压支持从最小(GND)到最大(Vcc)的全范围供电输入输出电压,简化了设计。其最低工作电源电压为1.8V,支持低压运行。由于新比较器还具有推挽输出[3],信号上升和下降时间短,无需外部上拉电阻,并且可以保持稳定的电压电平。

除了TC75W71FU之外,本次还推出增加迟滞性以强化抗噪能力的TC75W72FU,以及具有迟滞性和开漏输出[5](能够向与比较器电源不同的电压域发送信号)的TC75W73FU[4],并计划于2026年2月开始量产。

未来,东芝将继续开发有助于提高工业设备安全性和可靠性的比较器,并扩充产品阵容以满足客户的广泛需求。

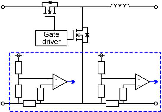
图1:过流检测电路示例
图1:过流检测电路示例

注:

[1]工业机器人、发电机、不间断电源(UPS)、变压器等。
[2]东芝现有产品TC75W56FU的传输延迟时间:在VDD=3V测量条件下,低电平到高电平的典型值为550ns,高电平到低电平的典型值为250ns。
[3] 推挽输出:输出电路包含两个晶体管(一个位于电路顶部,一个位于电路底部)的配置,分别驱动高电平和低电平。
[4]在VDD=3.3V测量条件下,传输延迟时间仅为30ns(高电平转低电平)。
[5]开漏输出:输出电路仅包含下方晶体管的配置,主动驱动低电平。

应用

  • 工业设备(工业机器人、UPS、光伏发电机、电源等)
  • 消费类设备(家用电器、电源等)

特性

  • I/O全范围
  • 低电压驱动:1.8V
  • 高速响应:tPLH 45ns(最大值),tPHL 30ns(最大值)(VDD=3.3V)

 

主要规格

器件型号 TC75W71FU TC75W72FU[6] TC75W73FU[6]
封装名称
(封装代码)
SOT-505
(SM8)
工作额定值 供电电压VDD (V)
T opr=-40°C至125°C
1.8至5.5
DC特性 供电电流IDD(μA)
VDD=1.8V,VOUT=High,VIN=VSS,Ta=25°C
典型值 276
输入偏置电压VIO(mV)
VDD=1.8V,VSS<VIN<VDD, Ta=25°C
最大值 17
输入迟滞电压VHYST(mV)
VIN=VSS,VDD=1.8V,Ta=25°C
典型值 - 3.5
低转高,100mV过驱动tPLH(ns)
VDD=3.3V,Ta=25°C
典型值 23 -
最大值 45 -
高转低,100mV过驱动tPHL(ns)
VDD=3.3V,Ta=25°C
典型值 14 11
最大值 30 30
输出类型 推挽 开漏
I/O全范围 轨到轨I/O
库存查询与购买 Buy Online - -

注:
[6]产品计划于2026年2月开始量产。

如需了解有关新产品的更多信息,请访问:
TC75W71FU

如需了解相关东芝运算放大器和比较器的更多信息,请查看以下PDF文件:
Basics of Operational Amplifiers and Comparators (PDF: 1.1MB)

如需了解相关新产品在线分销商网站的供货情况,请访问:
TC75W71FU
Buy Online

客户问询:

日本总部
Analog Device Sales & Marketing Dept.
电话:+81-44-548-2219

中国地区
分立器件市场部(Discrete Marketing)
上海:021-6060-6555/深圳:0755-3661-5889

*本文提及的公司名称、产品名称和服务名称可能是其各自公司的商标。
*本文档中的产品价格和规格、服务内容和联系方式等信息,在公告之日仍为最新信息,但如有变更,恕不另行通知。

在新窗口打开